Portable Chicken Coop / Tractor – Feeders

This really doesn’t need to be a separate post, but I didn’t want to combine it with my solar tire tub post since I consider that a failure.

My father-in-law gave me these feeders, so I decided to use them in the initial phase of the coop build.  My thought was to build a PVC feeder system that we could add feed from outside the coop.  This was because roosters are mean to little girls.

Now, we no longer have a rooster and I’ve grown to like the door feeders.  Having to open the door to feed the chickens is a bit more work.  And a time or two a chicken has escaped, as referenced in my aviary post; however, at this point I’m no longer interested in perusing a PVC solution .

As a bonus item, here’s my solution for providing calcium for the chickens.  I like the idea of providing a second feeder that they can get the calcium at-will instead of adding it directly to their feed.  For this I repurposed a broken brooder waterer and an old brooder feeder base I picked up.  The plastic waterer was cracked and not holding water, so I cut open the top to be able to fill it from the top, and drilled two holds for the hanger.  A scrap piece of house wire inserted into two drilled holes acts as a hanger.

Back to Portable Chicken Coop Main Page

Portable Chicken Coop / Tractor – Solar Tire Tub Waterer

Recently I realized I didn’t  do a post on my solar tire waterer and that it’s on the outline for my initial build.  In my opinion it was a failure and I guess why I overlooked it.  But, I want others to be able to learn from both my successes and failures so here goes.

I researched ways to keep water from freezing and the tire idea intrigued me so I built one.  I thought I had an ace up my sleeve, I’ll explain.

So I got a tire and put a board across the bottom for the pan to sit on.  This was to insulate the pan from the ground.  The instructions said to fill the tire with insulating material, plastic seemed to be the most common material so I filled the tire with old tarp scraps.  I got a black plastic oil pan that fit the tier pretty well and I was off to the races.

And my ace in the hole?  One of our small blue-ice bottles, unfrozen obviously.  I saw people putting a dark ball in the water to move the water and attract heat, thus helping to keep it from freezing.  If figured if my “ball” was also partly filled with salt water, which freezes at a lower temperature, it would help keep the water from freezing even more.

The results.  The chickens roosted on the tire during the day, frequently butt side toward the water, and made a mess in the water.  It was hard to keep the water clean.  The tire setup did help keep the water from freezing, a little.  It was fairly easy to dump frozen ice out of the pan or to melt it with hot water.  The blue ice bottle seemed to help, but I’m not sure if or how much better than just adding a ball.

Marshmallow seems to be my common companion

The end result was I finished the winter with it and moved back to a standard ground waterer as soon as I could.  The tire was thrown in a corner, pan and all, and I didn’t touch it until I grabbed a picture the following February for the solar water post.  It’s still sitting unused.

For a better solution, check out what I used last winter.  This is the best solution I’ve found.

Back to Portable Chicken Coop Main Page

Portable Chicken Coop / Tractor – Aviary

This was a part I didn’t plan out in great detail, but I’m used to that.  Even the well thought out plans I made for this coop got modified as I built.  Typically I’m building with various material, used and new, and I incorporate what I have to make what I want.  I like to think I’ve developed pretty decent system around this building process.

Just so happens, I watched this video on being more productive the morning I was going out to work on the Aviary.  It made me feel better about building the Aviary from just an idea in my mind.   Early in the video,  I like when he said “I think it’s easy to stand around and talk about how to do something better, when if you simply put your head down and went to work, it would be done, and well done, when discussion on the best possible method was just beginning to slow up enough for somebody to begin to pick up a tool.  Now I’m overstating that, but productivity is important.”

I also, I enjoyed the Frost poem, and finally CS Lewis’s quote,  “Two of a trade, never agree.” and his interpretation that Everyone does it different, so learn new things from that.

What’s Up? Chicken Butt. Laugh when you see it.

But on to the Aviary…

Building a coop on a trailer meant coming up with an aviary that can be lifted for movement.  I don’t have permanent perimeter fencing around the pasture to keep and protect the flock, so an aviary is necessary.

The aviary is easily detachable at the pivot/hinge, made from a caster with the wheel removed.  This is for three reasons.  I may use the coop with portable fencing as some point and not want the aviary attached.   The corners of the aviary drag when moving, so if I’m moving over large distances, removing the aviary makes the move easier.  It’s also necessary for me to use the windows as access portals to remove chickens when they are roosting in the middle, removing the aviary gives me access to the windows.

Nice to have a friend around when you work

Most of the frame is made out of some scrap aluminum wire track I picked up.  This helps keep it light.  The wooden pallet boards are for extra strength at the corners and pivot point, and to make it easier to tie everything together.  Chicken wire is zip tied to the frame and stapled to the wood where appropriate.

I turned one corner of the frame into a hatch.  This mainly allows us to water the chickens.  We’ve been using ground waterers in the warm months and my new solar heated waterer in the cold months.   I recently setup a PVC nipple system, but the weather turned cold before I could try it out; more to come on that.

My helper with running the cable.

The initial plan was to use a pulley system attached to the aviary to raise and lower it like a drawbridge and attach a motor or winch to raise and lower it.   Even though it’s pretty light, it a pretty hard pull to raise.  This is due to the shallow angle of lift I have from the roof and that I used cheap pulleys.  Even with double pulleys, it’s a struggle to lift by pulling the cables.

Currently, I raise the aviary by hand, prop it up with a bucket, then pull the slack out of the cable and tie it down, using a cleat hook on the inside.  I’m thinking I may scrap the whole pulley system and just have one cable on each end that is right length to hold the frame up once I’ve raised it on the bucket.

I’ve been told I should have designed the coop so that the aviary drags behind the coop when I move it.  This sounds like a good idea; however, it doesn’t make backing up easy and I’ve already built the coop.  I do think a redesign is in order, I have some ideas, so more to come when I’m finished.

Yes, she’s outside. The devil escaped while filling the food.

 

 

Back to Portable Chicken Coop Main Page

Portable Chicken Coop / Tractor – Electronics

Electronics were a must for me.  Probably the best thing I liked about keeping the birds in the chicken tractor was not having to open and shut a coop door each day.  Therefore an automated coop door was a requirement for this build.

When I started the electronics, it became a “give a mouse a cookie” event.  Automated door meant battery, battery meant solar panel, and since we have a solar panel, let’s do lights.  And for grins, I’m toying with adding a winch to raise and lower the aviary, so let’s add something for that.

I already had the battery, lights, and timer from the A-Frame build.  However I wanted to add solar to charge the battery instead of manually charging it 1-2 times a week.  I looked at some kits online and chose a cheep 20W panel and charger off Amazon.  The door automation took more thought.

I looked online and saw people using car antenna motors to open and shut the door.  I like this idea.  It would limited the amount of push pressure when shutting the door, which would prevent birds from getting caught, but this could also end up leaving the door open if the door got in a slight bind.  The biggest con for me not to use this was that, for my build, constant power would need to be applied when the antenna was extended, which would be during the nighttime when the door was pushed closed.  This would cause a draw on the battery; however, it would be a slight draw because it’s not running the motor.

Liner actuators are the other main way I see coop doors automated.  These are on when moving, then switch off once extended or retracted.  To reverse the direction, you reverse the polarity.  So they only draw power twice a day when opening or closing.  They also have a lot more push/pull torque.  This would prevent the door staying open at night because of a slight bind in the door; however, poses a danger if a chicken is in the way.  I was leaning toward the linear actuator when once again my father-in-law helped out and gave me one he had.

The actuator  requires a DPDT relay to reverse the polarity.  In the end, the power draw from the power antenna was probably a wash with the relay draw; however, the way I architected my door, the relay draws power during the day and the antenna would be drawing at night.  Theoretically there should be less draw on the battery as the solar panel will power the relay during the day.  Again, the draw is slight and probably not worth worrying about, but I do.

I’ll still have a constant phantom power draw from the photocell (circled in red in the picture of the solar panel) that’s used to trigger the door at morning and night, but that’s used for either method.  I like the photocell because it changes with the season and will be more consistent with morning and night than trying to use a timer.

I spent some time to determine the correct wire for the distance.   Based on this chart, the battery distance of 12′ with 5A puts me at 12 gauge.  I decided to use 12 AWG to the battery and 16 AWG to everything else to achieve a 2% voltage loss.  I save old appliance cords that are long, like from vacuum cleaners, and used these for the rest of the connections.  They are 16/17 gauge and should keep me in the 2% drop range based on a combination between the previous chart and this chart.   As with the power draw of the antenna, I may be over thinking/engineering this for a chicken coop.

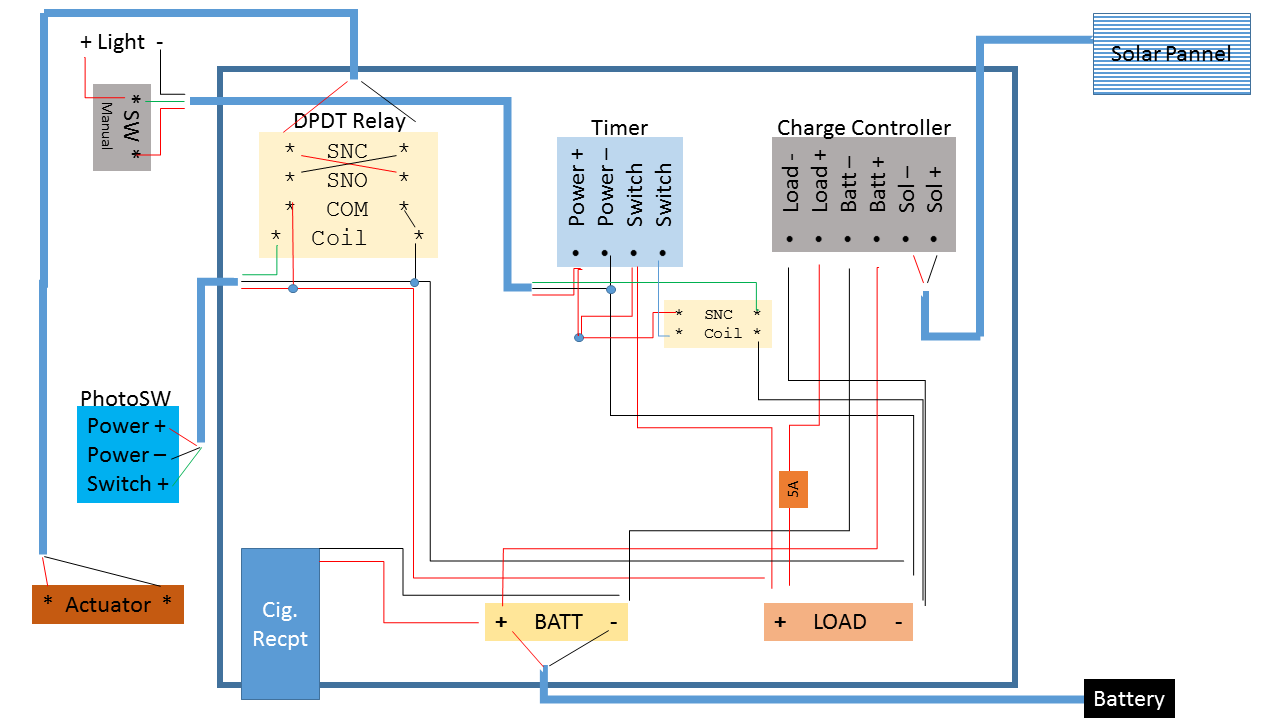
Finally, I had picked up an old electrical panel box somewhere and I used it to house all brains of the electronics. I added a board to help me mount everything in the box.   Here’s how it fits together.

Battery

First I bring the battery wires into the box to a couple of terminals.  This allows me to connect things directly to the battery and bypass the solar charger, which is rated for 3A.  My first add-on is a cigarette lighter that I mounted in the bottom of the box.

Solar

Then I attached the solar charge controller to the battery terminals.  The Solar panel connects into the charge controller.  Finally I take the load from the charge controller to two more terminals that I’ll connect everything else to.  Connecting solar is pretty simple using a charge controller, especially compared to the wiring for the lights and door.

Lights

As I mentioned in my previous post on the lights, I need a relay for the timer to power the lights.  I could not power my light directly through the light switch.  I also used 3 wires going to the light so I could add a flip switch to override the timer and turn the lights on.  These two items make the wire diagram look like spaghetti, but hopefully you can follow it.

 

**If you’re comparing the diagram to the photograph, the diagram has positive in red and negative in black.  That does not correspond to the wires I actually used so I list the color of the wire in the photograph in (parentheses).

Power(positive) comes from the load terminal to the switch side of the timer, a jumper wire goes to a wire nut that ties to the run side of the timer, which also jumpers with the power(black) wire to the light, and the switch side of the relay.  All these connections have power full time. The other side of the relay switch goes to the switched wire(green) to the light.  And the other switch side of the timer connects to the coil side of the relay.

Negative goes from the load terminal to the relay coil and run side of the timer, where it’s jumpered with the negative(white) wire to the light.  This provides the 3 wires going to the light as Black=always on positive, Green=switched power from the timer, white=negative(common).  Because I’m using wire commonly used for AC, I switched to AC Black/white color standards when I attached the wire or when I ran out of Red/black wire.  It makes sense to me since I’ve dealt with both.

At the light switch, negative(white) goes straight to the light.   Positive(Black) goes to one side of the switch.  Switched(green) goes to the other side along with a jumper wire to the positive side of the light.   So if the light switch is on, it provides power to the green side that’s jumpered to the light and the light comes on.  Turned off and the light is off, UNLESS the time is on and sending power through the Green wire, which in turn will power the light.

Door

Hooking up the DPDT relay to switch the polarity for the actuator is fairly simple if you look at it in my diagram.  You have two COM posts that you hook positive and negative to.  Each one of those two posts will connect to 2 more post, one if the relay coil has power (SNO), the other if it doesn’t (SNC).  To reverse the polarity connect the 4 posts in a crisscross pattern.  The wire going to the actuator will connected to the 2nd pair.  If the direction of the actuator is wrong, just revers the actuator connection.

To connect the coil side of the relay you add in the photo cell so you are providing power to the coil in the day time and not at night.  You need 3 wires going to the photocell, power(black) and Negative(white) connect to the load termnals and switched(Green) will return from the photocell and connect to the coil.

To reduce the number of wires coming from the load terminals I jumpered the negative wire with the COIL and COM terminals on the relay and the (white) wire to the photocell.  I jumpered the positive wire between the COM on the relay and the (black) wire going to the photocell.

** To really confuse things, I accidentally jumpered in an extra (blue) wire with the positive connections.   I didn’t need, but didn’t want to re-do the connection so I just capped it off (white cap_.

Actuator and door

Due to the window, I wanted my door to slide sideways open and shut.  I had 2 keyboard tray slide rails which would worked perfect. They allow the door to slide 1.5 inches.  The actuator moves 10.55 inches, so I just needed to add a little play in the connections and all is good.

I started with framing where the door would slide.   I framed is so the actuator and most of the rails could be enclosed with a piece of OSB (red outline with arrow pointing to the OSB) to prevent dirt and droppings  from getting on them since the perch was close by.  I cut a door that’s wide enough to cover the door opening and slide behind a piece of wood that will prevent the rails from being bent back allowing a predator to squeeze through the door.   I attached the door and rails.

Here’s a video of the door opening and me demonstrating how to manually shut the door.

Back to Portable Chicken Coop Main Page

Portable Chicken Coop / Tractor – Nesting Boxes

I cover my initial build of the boxes, including covering the paint trays, for the A-frame here.  As I mention, I really like this type of box.  And to follow-up from my first post, yes the new ISA Brown flock is consistently laying only in the boxes as I had hoped and expected.

The boxes for this coop are completely on the outside of the coop.  This gives me more room on the inside of the coop for roosting and waste/droppings management.  I put the boxes level with the floor.  I’m getting bedding shavings in the trays, which can prevent eggs from rolling down.  I’m not sure if higher tray would fix the issue, but I’m planning to move to a mesh floor without any shaving anyway, so the issue should resolve itself with the new floor.

The dimension of the boxes are mainly to accommodate the paint trays, but I think are good for any box.  I typically do not oversize my boxes, especially in height.  I’ve read that keeping the boxes smaller and shorter discourages “parties” in the boxes that lead to droppings in the box.  So far that’s not been an issue in any of my boxes.  Additionally I use an old table cloth to make a divider to give the hens more privacy, which they really seem to like.

I started by marking the ends according to the blueprints, putting each board on the marks to ensure I had the right dimensions, then cutting out the end shape.  I then cut all the horizontal boards to the proper length.  I used standard 1″ & 2″ sizes and laid out the paint tray on the boards to ensure proper dimensions before I cut them.  The larger floor and roof I used scrap OSB and a an old shelf board I had on hand.

 

I took the roof angles from the ends used them to ripped an angle on the 3 boards that meet the roofs.  I could have just left them square and lowered them to the level of the roof, but I like the way the angle looks.

Then I sat the ends upright and started fastening the horizontal boards to the ends.  I have a staple gun which makes building boxes like this much easier.  It could probably be done without it, but I’ve come to rely on how well the staples work in edges of narrower pieces of wood.

I slid the paint trays in to view the heights.  The 1×6 that I used for the back of the nesting box did not go down as far as I liked.  It gave the chickens too much room to access the bottom of the pan.  I ripped a spare board in half and used it to add to both boxes.

I cut and stapled the center in place.  I have a staple gun which makes building boxes like this much easier.  It could probably be done without it, but I’ve come to rely on how well the staples work in edges of narrower pieces of wood. I also ripped the appropriate angle on the board that covers the egg area so it sits flush on the hinge side, but did not attach it yet.

Next I fastened the boxes to the frame using carriage bolts in the top to hold the weight then wood screws at the bottom to hold the box against the frame.  The frame had a lip that was perfect to rest the box on and use a clam to hold it in place while I fastened it.

 

Finally, I attached the roof sections.  The top one I just stapled down, the bottom one is hinged so t raises for gathering eggs.  Since I used OSB, the top roof has tar paper for now and will get a either shingles or a metal roof.  The bottom roof/door is a 1×8 and will just get stained.

Back to Portable Chicken Coop Main Page

Portable Chicken Coop / Tractor – The Structure 2

Tires

Several years ago, I said this build has been on my mind for a while, I decided a coop on a trailer should be low to the ground.  Honestly don’t remember why I thought this at the time, but I shared the idea I had for making tires shorter with my father-in-law.  He wasn’t so much interested in the lower trailer, but was very interested in tires that won’t go flat.

So the trailer’s tires he gifted me had been modified for about 2 years.  I give thanks again to my father-in-law not only for all the parts he donated to this project, but for making my job easier.  He already cut the sidewalls off the tires, shortened the remaining tread, and bolted the ends to the rim.  In addition to all this work, the passing of time and trailer use identified a couple areas that needed improvements.

Initially he only bolted the cut tires to the rim in one spot, where the rubber ends met.  A miscalculated in the circumference resulted in the tread being cut too short, hence the extra ad-on pieces you’ll see in the pictures.  The rubber was stretched tight and the edges curved around the rim, so it seemed like the rubber would not drift.  In this picture you see it did drift off the rim.  I added 2 additional fastening points approximately every 120 degrees.

Second, where it was bolted wood pieces were used as spacers.  These rotted and fell apart.  I decided to used foaming insulation instead and becasue I was adding additional bolts, I did it completely around the wheel.

 

Lastly, the rotted wood pointed out that the cupped rubber on the wheel was holding water.  Standing water is not good for the metal rim to sit in.  This I haven’t mitigated yet, but the plan is to cut some holes in the rubber to allow for drainage, and have awnings over the tiers so they don’t get as much rain to begin with.  I overhung the roof in the back to do this, and in the front, I’ll add an awning that will double as an extension for water nipple.

 

Roof

I wanted the roof to overhang in the front and back.  The backside covers the wheel and the nesting boxes.  I added a gutter for additional overhang to divert the rain away from the nesting boxes and for potential for rain catchment later.  As you can see in the picture, the additional length comes in handy in the winter.

The front overhang is to shade the windows in the summer, when the sun is high overhead.  During the cooler/cold seasons when the sun is lower in the sky, it will still shine into the coop for additional passive solar heat.  The overhang also helps with the pulleys for the aviary and to keep the rain off the windows and wheel.

I added a layer of foam board under the roof for insulation.  I’m not concerned with sealing  the coop tight, but I wanted more than a thin roof between the hot sun in the summer and cold in the winter.

Due to timing and budget, I started out with some used scrap roofing I picked up fee for projects.  What I had left was in pretty bad shape and I only intended it to make it through the winter before I replace it with a metal roof.  It didn’t.

Fortunately the high winds that blew off the first roof were from a warm front.  This at least providing me with a some above freezing temperatures as I replaced it with a metal roof.   I was going to special order a blue metal roof to coordinate with the blue frame, but when you need it today, you take what’s in stock at the hardware store.

 

Color

The final basic item for the build is the color.  Everything I’ve built since we move out here has been grey with green roof and trim.  This matches the house.  But as I mentioned, the trailer frame was previously blue and nearly screamed at me to be blue again.  Additionally, I didn’t have any grey stain on hand and had already spent more than my budget for the first phase of this project.

As I was fretting over the color change, I happened to watch this double-decker bus conversion video and at 12:10 the interviewer says “It’s green!”  and the builder’s reply was “It was going to be blue, but now it’s green”, basically because he’s made due.  I have white stain and white and blue go great together, so it was going to be grey, but now it’ll be white.

Additionally a white coop makes me think of it as a symbol of Captain Ahab’s white whale. In the last several years, chickens have certainly been my “white whale”.  I’ve also nicknamed the coop the Pequod.  Not sure it’s going to stick, but I tried.

Finally, It goes against my upbringing to build without properly protecting the wood with stain, but I was limited by time and warm weather.  I settled for staining the trim and pieces that were going to overlap, so I wouldn’t have to take them apart later.   Hence why I went with white and why you see some white stripes on the ends.

 

Back to Portable Chicken Coop Main Page

Portable Chicken Coop / Tractor – The Structure

Trailer Frame and coop

To me, easy to move means on a well-balanced trailer.  Chicken tractors are great, but I wanted more substantial winter protection than a tarp, which means more weight and harder to move.  I was gifted this frame(1) for this project.  It was pretty ruff, so I used a wire wheel to clean it up.  While knocking off the rust, I could tell it was once blue, so Rustolem deep blue it was.

I wanted to keep the center of gravity low, so a tall coop was out.  Additionally, I had several 4′ wide pieces of wood panels that were around 30-36″ tall.  Keeping the maximum height of the coop to 4′ in the front allowed me to use these scrap pieces and only purchase one 8′ panel for the front two sections, the trailer is 8’x3.5′.

 

Accessibility

The low height meant two things.  Plenty of access from outside so I don’t have to go in and a remove able floor so if I do, I gain another 18 inches by standing on the ground.  Initially I planned on removable external nesting boxes and each end as a door; however, it was easier and less time consuming to semi-permanently attach the nesting boxes.  I’ve held off on adding a door on the tongue end of the trailer.  It’s bent upward, presenting complications with a full door and is also the best place to put the battery.  I’ll look at adding a smaller door later.

 

Lacking removable boxes and the 2nd door, I decided to make the windows access points instead; this will work out well when I need to remove birds while sleeping on the perch.  The windows were always going to be hinged at the top so they can be opened out and not let rain inside, so that access was covered.  However, instead of a fixed hardware cloth screen for the windows, I’ll make hinged screens that open giving access to the birds inside.

 

Floor

It has to be easy to clean and for that  I’m a big fan of open bottoms and poop boards.  Both are relatively easy to clean.  A mesh floor to let the droppings fall through is the ultimate goal, but after seeing the shape the trailer was in, I don’t want to encourage more rust by letting droppings fall on my new paint job.  I plan to mitigate this by covering the undercarriage cross members with corrugated pipe for protection and possibly easier clean-up.  Then I’ll build a frame and cover it with 1/2 inch mesh for an ‘open bottom’ floor.

However, to save time this fall, I went with a cheap solid floor.  I picked this piece up for $5 in the damaged section, since it was damaged on the sides and I didn’t need the entire 4′ length.  It’s slick surface allows me to easily scrape it clean with a rake.  To get a better clean, or to get inside the coop, it’s removable.  The mesh floor will be removable too when I build it.

 

(1) Footnote: My father-in-law deserves big thanks and recognition for donating parts to this build.  He donated the trailer and windows in this post.

Back to Portable Chicken Coop Main Page

Portable Chicken Coop / Tractor – The Plan

Floor Plan

I’m not going to outline a step by step plan as I did in my free Chicken Tractor How-to Guide.  This is not a repeatable blueprint.  However, I did put a lot of forethought into this build.  Usually my plans stay in my head augmented by some hand drawings and/or notes.  But Bill Mollison teaches putting the majority of your time in observation and planning.  So this time I  created a better blueprint than I normally do, click on the images to make them bigger.

Why this coop?

Trailer Frame

We kept part of our layers in a chicken tractor this past summer and fall and I really liked it.  There was no fence to move, no coop door to open and close, and the open air tractor is great for pasturing.

So why not use a chicken tractor permanently?  The idea is very tempting and I may still convert a chicken tractor; however, there were several reasons or excuses not to.    Adding the refinements I wanted would mean adding weight and making it harder to move.  One person can move the chicken tractor, but it’s so easy with two we’ve gotten in the habit of double teaming the chicken moves.  Frankly I’ve gotten spoiled.  A coop on wheels allows me to put in a lot of features without worrying about the weight.

The girls would like to be able to care for the chickens without having to enter the tractor, because grown roosters are mean and scary.

Side View with boxes

We’d need whatever chicken tractor I converted in the spring for the broilers and I didn’t want to be under the gun to build a new tractor in the spring.

I really like the idea of easily moving the layers longer distances to any part of the property that needs worked, chickens and all.   The A-frame is fairly easy to move once it’s wheels are on, but it’s so heavy it takes a lot of effort to put the wheels on.  And worse, we have to catch and transport the chickens separately.

The plan.

Front View of Coop
Front View

I started by listing what I wanted and prioritizing.  Everything is designed to provide pasture and comfort to the chickens as well as simplicity for their human caretakers.  Below lists what I wanted, mostly in order of importance.  Being layers, we’ll have to interact with the flock every day, so things like multi-day feed and water were lower priority and things like easy to move and mobility were high on the list.

I plan on going into each of these deeper in future blogs.

Requirements

  • Easily moved by one person
    • Easy lift trailer hitch
    • Pull with something as small as a garden tractor
  • Enclosed aviary for scratching (tractoring)
    • Optional Skirt around coop for additional foraging/shade under coop/layer boxes
  • Peck-proof boxes with easy access lids on outside
  • Automatic coop door.  This means power supply (batteries and solar panels)
  • Easy to clean droppings
    • Floor options
      • Open/screened bottom.  Allow droppings to fall through and open air
      • Solid board.   Removable and easy scrape surface
    • Continuous perching space, up to 20 birds
  • Windows and natural lights
  • Access panels all around so we don’t have to enter coop
    • Ends are doors
    • Removable coop boxes?
  • Anti-freeze waterer
  • Easy access food and water
  • Rain Catchment system

Back to Portable Chicken Coop Main Page

Portable Chicken Coop / Tractor – Main Page

The goal is to create a portable chicken coop to pasture our egg layers.  I’ve seen a lot of ‘the best coops’; however, I believe the best coop is matched to the individuals needs/wants.  I’ve not seen any coop that does exactly what I want to do.   So my Best Coop is going to be unique to me.  Here’s the attempt to make MY best coop.

I started this project late in the year and winter was approaching.   I wanted to get the layers in to a new home and not be building outside in sub freezing weather.  So wanting to get something workable quickly, I’m building this project in phases.  How quickly all the phases get done depends on the weather, but I’m expecting late spring/summer before I get it all done and the kinks worked out.

There will be several blogs in this series, so this will be a jump page to get to all the blog posts from one spot.  Posts will be linked once they are written.

Desired results:

For me, the result should provide a coop that’s easy to move and requires minimal effort to care for a flock of 7-20 birds.  It will be like a chicken tractor and include an enclosed aviary.   Every touch-point of caring for chickens will be examined to determine the best solution for the birds that also fits our principles and lifestyle.

Here are the details on the areas of the build that I’ll use as the jump page

Dual-purpose Chickens 11 – Anti-pecking layer boxes

What to do when you have chicken(s) pecking eggs?  I’ve tried several things with minimal success including adding extra calcium to their diet, ceramic eggs in the box, and separating who I guessed the culprit(s) were. All of these had minimal success and required more resources.

 

Then I found these boxes. 

I really liked these boxes and there are many different DIY types/variations of the roll away nesting box.  The basic principal is that the egg rolls to an area that’s hard or impossible for the chickens to peck.  I looked at various DIY types and liked the paint tray version the best.  It’s easy to make, would fit into my existing boxes with minimal remodeling, and are easy to remove and spray out when they get dirty.

Making them wasn’t too hard.  I bought the largest paint try that would fit into my existing boxes.  Besides fitting, the 10.75×15.5 tray seems to be a good size in general.  I bought a strip of outdoor grass carpet, created a pattern with the first piece of carpet, and used it as my template for cutting the rest.  It may be overkill, but I used outdoor carpet glue to adhere the carpet to the tray.  I wanted something that would withstand a strong spray of water for cleaning.

 

Top left and clockwise: Old box with drop down lid, Finished box with lift lid, Added 2×4 and blocker boards with paint tray example, Side view added 2×4 with tray example.

The refit of the boxes on the A-frame worked out good.  The previous door to collect eggs worked fine, but I would have preferred to have a lid that lifted instead of a door that flops down.

The existing boxes were too short to fit the tray, but it was easy to add length to the outside which also created the protected area for the eggs.  A 2×4 length worked great and I cut the old door and used to fill in the new wall sections of the new enclosure.

I added the green blocker boards inside the boxes where at the start/end of the deep part of the try.  This is to prevent the chickens from being able to reach the eggs that roll down and collect in the bottom of the tray.

The refit also gave me the lifting lid I wanted.  In the pictures, I used a 1×6 I had laying around for the lid, but I intend on using a 1×8 to cover it better and give me an area to lock it down.

 

We’ve used these boxes for over 8 months and it’s great to see eggs under the lid.   They are peck free and much cleaner.  Our current layers are fickle and tend to lay in the corner of the coop instead of the boxes; however, we do get frequent eggs in the boxes too.  Our new ISA Brown flock is laying consistently in their temporary boxes.  I look forward to them using the roll away boxes.